生活需要美學,你的浴廁空間更需要精心營造!
TOTO的工藝巧思,讓您在一天最舒服的時刻,感受它的魅力。
使用本檯面盆時,下方需搭配浴櫃或是人造石檯面,我們提供各式客製化防潮浴櫃及多種花色之人造石檯面供您選擇,竭誠歡迎您來展示中心參觀或撥服務專線07-2868111洽詢。
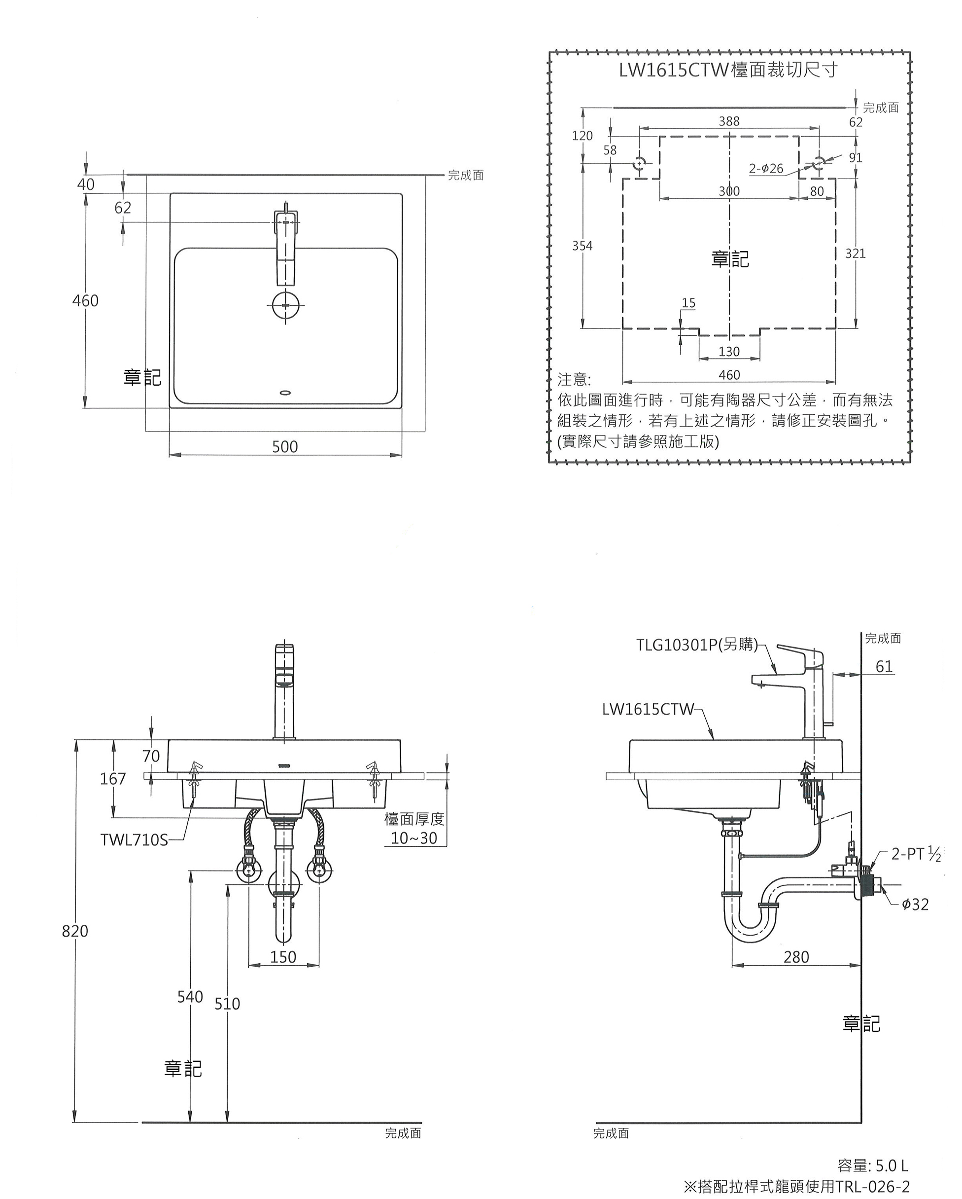
TOTO 檯面盆(50cm) LW1615CTW
- 造型時尚雅緻,榮獲2014年IF設計大獎。
- 薄型外觀,崁入式盆體,不易濺水。
- 喜貼心抗污技術污垢難附著清潔更輕鬆。
- 容量:5L
- 尺寸:W500xD460xH70mm
- 本產品不含龍頭
TOTO 檯面盆(50cm) LW1615CTW 尺寸圖

購物說明
