使用本檯面盆時,下方需搭配浴櫃或是人造石檯面,我們提供各式客製化防潮浴櫃及多種花色之人造石檯面供您選擇,竭誠歡迎您來展示中心參觀或撥服務專線07-2868111洽詢。
ALEX電光下嵌盆產品項目
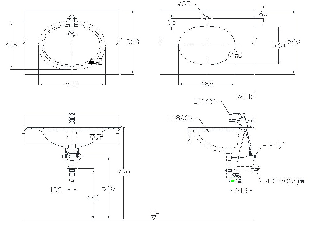
ALEX電光檯面式面盆設備(57cm) AL1891N-V 尺寸圖 我們銷售全系列ALEX衛浴商品,並且全省皆可宅配到府!
購物說明